400-003-8066

音視頻係統解決方案
運動場羞羞漫画官网係統設計方案

運動場羞羞漫画官网係統設計方案

運動場由標準足球場和400米跑道組成,並配有主席台和看台,是各種會議、比賽以及文藝表演的基本舉辦場所,聲場擴聲使用主音箱4隻,設置於主席台,吊掛分布,它平滑的功率響應和出色的音色質量也可使它很好的適應近場工作。音箱采用吊架安裝便於地方環境,話筒出音音色清晰,適合演出表演使用。

全國谘詢熱線
400-003-8066

在線谘詢

一、功能概述

  運動場由標準足球場和400米跑道組成,並配有主席台和看台,是各種會議、比賽以及文藝表演的基本舉辦場所,聲場擴聲使用主音箱4隻,設置於主席台,吊掛分布,它平滑的功率響應和出色的音色質量也可使它很好的適應近場工作。該款音箱單元組成由1隻15寸的低音單元和一隻高音加超高音組成,另加4隻音柱做補聲效果。同種單元組成的揚聲器音色難以媲美,能輕鬆覆蓋全場。音箱采用吊架安裝便於地方環境,話筒出音音色清晰,適合演出表演使用。

運動場羞羞漫画官网係統設計方案

二、設計目標

  運動場羞羞漫画官网係統主要是進行聲音擴聲,兼顧音樂和其它影音資料音頻信號的傳播,在設計時考慮揚聲器的聲場聲壓的均勻度和聲音的清晰度。根據運動場的使用特點,在擴聲係統的功能和設備的配製與選型時要求如下:

  能夠滿足日常在线免费观看羞羞视频運動會的各種使用要求,如包括入場式、團體操表演等,同時要兼顧大型文藝演出等各種活動的順利進行,即以功能多、標準高、穩定性高為原則。

  運動場羞羞漫画官网係統使用頻率很高,羞羞漫画官网係統的主要設備必須能夠靈活使用。播放各種音頻信號同時預留幾餘音頻接口。運動場羞羞漫画官网係統所有設備進行集中控製。聲場夏蓋整個操場,聲場均勻且無死區。

三、環境要求

  1. 運動場單獨設立音控室,音控室設於運動場看台一樓。

  2. 運動場為開放式結構,要考慮羞羞漫画官网防水、防潮、防損等問題。

  3. 運動場對麵的已設立2個音柱喇叭,該音柱與運動場羞羞漫画官网係統相互連接。

  4. 所有管線需根據需要重新布設,但注意隱蔽。

四、設計方法

  根據室外的安排及使用功能的定位羞羞APP大全采用了集中擴聲,這樣即可以滿足場地的聲場聲壓的均勻度,在滿足聲壓要求的情況下結合使用的建議,羞羞APP大全設計的音箱是運動場平時演出用,羞羞APP大全利用PRS數字音頻處理器,D係列功放,電源時序器電源管理功能,根據室外擴聲係統設計的聲學特性指標標準,在空場穩態準峰值狀態下的聲壓級:

  1. 語言擴聲係統標準要大於或等於90dB;

  2. 聲場不均勻度做到信號頻率在1.0KHz和4.0KHz時測量小於或等於8dB;

  3. 傳聲增益在125Hz-4.0KHz的平均值要大於或等於-8db以上為標準,羞羞APP大全設計的音頻擴聲係統一定要達到和超過規定的標準,以體現係統的優越性能。擴聲係統的羞羞漫画官网效果,應能符合以上GYJ125室外擴聲係統設計的聲學特性指標中的語言和音樂兼用標準,方能達到語言清晰、無失真、聲壓餘量充分、聲場分布均勻、無聲反饋嘯叫。

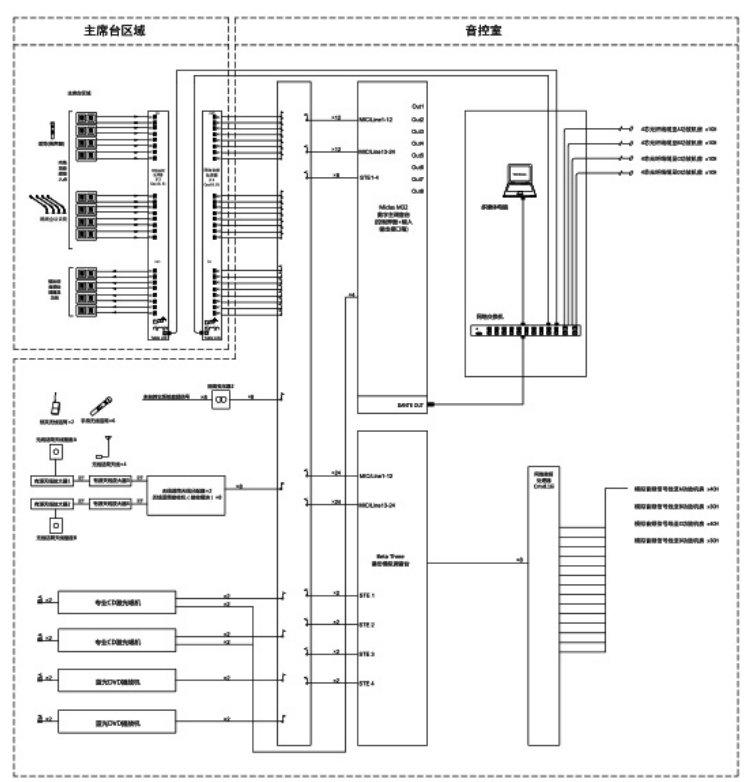
五、方案設計

  1、音源部分設計

  由於運動場會舉辦運動會、文藝演出等活動,所以為運動場音源設計安裝電腦、智能音樂播放主機、無線話筒、有線話筒、CD播放機、等其他音源。

  2、主控部分設計

  調音台、效果器、均衡器、數字音頻處理器、反饋抑製器等處理設備,起到音質,產生聲效,反饋等作用。

  3、羞羞漫画官网部分設計

  考慮到運動場區域,用戶要求聲場均勻,主要用於運動場擴聲,因此羞羞APP大全為用戶設計安裝線陣羞羞漫画官网作為主擴,輔助羞羞漫画官网作為補聲。根據運動場的麵積大小羞羞APP大全為用戶設計2串8隻雙10線性陣列,2隻單18寸低音音箱作為主擴羞羞漫画官网,在操場的兩邊分別放置2隻防雨音箱輔助擴聲,看台兩側各放置2隻防水音箱作為看台補聲,主席台放置2隻防水音箱作為返聽,共計8隻輔助音箱。

運動場羞羞漫画官网係統設計方案

六、係統特點

  通過遠程遙控控製智能音樂播放主器播放指定的音樂,減輕管理人員工作壓力采用2套話筒,活動時采用無線話筒方便靈活,線陣擴聲係統,層次清晰,富有力量,聲音飽滿,還原度高。

羞羞APP大全資質 / ZOBO QUALIFICATION

羞羞APP大全營業執照 高新技術企業證書 中關村高新技術企業

(已獲得33項資質認證,包括5項國際認證、4項國家認證、24項行業資格認證書) 查看全部資質

項目實施能力 / PROJECT IMPLEMENTATION CAPACITY

項目技術工程師項目技術工程師

建設工程師建設工程師

工程師工程師

關聯案例 RELEVANT CASES

方案概述:
【查看詳情】

相關產品RELATED PRODUCTS

網站地圖